随着城市化步伐的加快,集中供热系统肩负重任,既要满足日益增长的供暖需求,又要积极响应节能减排与环保的号召。在此挑战下,供热系统的智能化、高效化、绿色化转型势不可挡。三偏心硬密封蝶阀,作为这一转型浪潮中的璀璨明星,正以其卓越性能引领行业前行。
凭借其独特的三偏心设计,该蝶阀实现了零泄漏、低摩擦、长寿命的卓越表现,在高温、高压及腐蚀性环境中游刃有余,确保了供热管网的稳定运行与高效传输。相较于传统蝶阀,三偏心硬密封蝶阀不仅在密封性能和调节能力上更胜一筹,还具备安装便捷、操作灵活、维护简单的特点,赢得了市场的广泛青睐。在热力长输管网的新建与改造项目中,它已成为首选产品,推动了供热行业的智能化、绿色化发展。
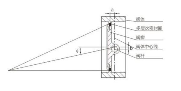
一、三偏心双向金属硬密封蝶阀的特点


1、优越的密封性能:金属硬密封形式确保了阀门在高温、高压和腐蚀性介质下的稳定密封性能。
2、低摩擦阻力:三偏心设计使得蝶板在启闭过程中与阀座之间几乎无摩擦,降低了操作力矩和磨损程度。
3、寿命长:由于减少了摩擦和磨损,三偏心金属硬密封蝶阀的使用寿命得到了显著延长。
4、应用广泛:该阀门适用于多种工业领域,如石油、化工、冶金、水电等,特别是在需要高温、高压和耐腐蚀介质控制的场合中表现优异。
5、调控与关断功能兼备:三偏心金属硬密封蝶阀不仅具有优秀的关断性能,还能够作为调控阀使用,实现介质的精确控制。
二、产品参数
设计标准:GB/T 37828-2019《城镇供热用双向金属密封蝶阀》
试验标准:GB/T 13927-2022 《工业阀门 压力试验》
结构长度标准:GB/T 37828-2019《城镇供热用双向金属密封蝶阀》
公称直径:DN600-DN1600,24”-64”
公称压力:PN16/25
温度:-29~150°
流体介质:水、水蒸汽、油等
驱动方式:手动、电动、气动、液动等
三、产品四大优势

1.阀体采用高强度A105锻件:应对复杂工况的优选方案
采用A105锻件一次成型,强度高,塑性好;抗拉、抗压、抗弯性能好;满足各种复杂工况,如埋地工况、空中架设管路等。
2.阀座自补偿功能:采用浮动阀座,实现双向等压密封,零泄漏
采用浮动阀座,反向承压时阀座会随着介质压力移动,自动补偿,可达到双向等压密封,零泄漏。
3.可更换的阀座与密封圈:降低现场维护成本
利用四开环支撑阀座,蝶板密封圈采用压板压紧结构,损坏时便于现场更换,降低维护成本。
4.先进的加工设备
公司现有先进立式加工中心、五轴加工中心、精密数控设备120多台,加工专机40余台,确保了加工尺寸及加工质量的稳定。

5米双立柱数控车床(加工形状复杂回转类零件)

数控镗床(生产3米以下蝶阀体及配件)
四、应用场景
应用场景:一次侧、二次侧、长输管网、换热站、二次网等。常用口径DN200-1600,压力PN16/25,温度-29~350°。


五、以用户为中心,以质量为生命
以用户为中心,以质量为生命一直是玫德集团的核心价值观,也是六十余年企业征程中始终坚守的底线。作为热力管网中的重要一环,迈克阀门将继续坚守质量安全,对用户负责,对安全负责。

延伸阅读:
济南迈克阀门科技有限公司,为玫德集团控股子公司,2014年5月独立运营,投资10亿元,公司占地面积23万平方米,员工800余人,年产能350万套阀门,产品60%以上出口,远销世界98个国家和地区。
迈克阀门荣获多项国家、省市级荣誉称号,以强大的实力为客户提供产品和服务的全方位保障。迈克阀门符合英标、美标、欧标、日标、澳标等多国标准,获得FM、UL、CE、APSAD、CSFM、NSF、VdS、LPCB、WRAS、ACS、WATERMARK等28项国际认证,产品广泛应用于世界地标建筑和重大民生工程,为全球流体输送发挥着起承转合的关键作用。